 |
Motion Accessories |
 |
|
|
|
|
|
|
|
|
|
|
|
| enust |
 |
Backlash-free Flexibel Disc Coupling |
 |
|
|
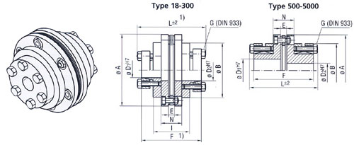
| Technical Data |
|
 |
| Type |
ø D (H7) |
L [mm] |
ø A [mm] |
Nom. Torque [Nm] |
Detailes |
| FSS |
9 ..... 85 |
65 ..... 167 |
50 ..... 250 |
18 ..... 5.000 |
Detailes |
| FSD |
10 ..... 60 |
63 ..... 114 |
50 ..... 140 |
18 ..... 500 |
Detailes |
|
|
|
|
|
|
|